首页
关于我们
关於先之科
发展历程
企业荣誉
产品中心
功率产品
小信号产品
保护二极管
其它产品
功率整流管
整流桥
快恢复整流管
肖特基整流管
功率三极管
功率MOS管
功率IGBT单管
功率SiC管
稳压二极管
小信号肖特基二极管
小信号开关二极管
小信号三极管
小信号达林顿三极管
小信号数字三极管
小信号MOS管
ESD二极管
TVS二极管
频段开关二极管
晶闸管
稳压器
产品应用
汽车电子
电源产品
工业电子
消费性电子
质量技术
新闻资讯
联系我们
中文
中文
繁体
EN
首页
关于我们
关於先之科
发展历程
企业荣誉
产品中心
功率产品
小信号产品
保护二极管
其它产品
产品应用
汽车电子
电源产品
工业电子
消费性电子
质量技术
新闻资讯
联系我们
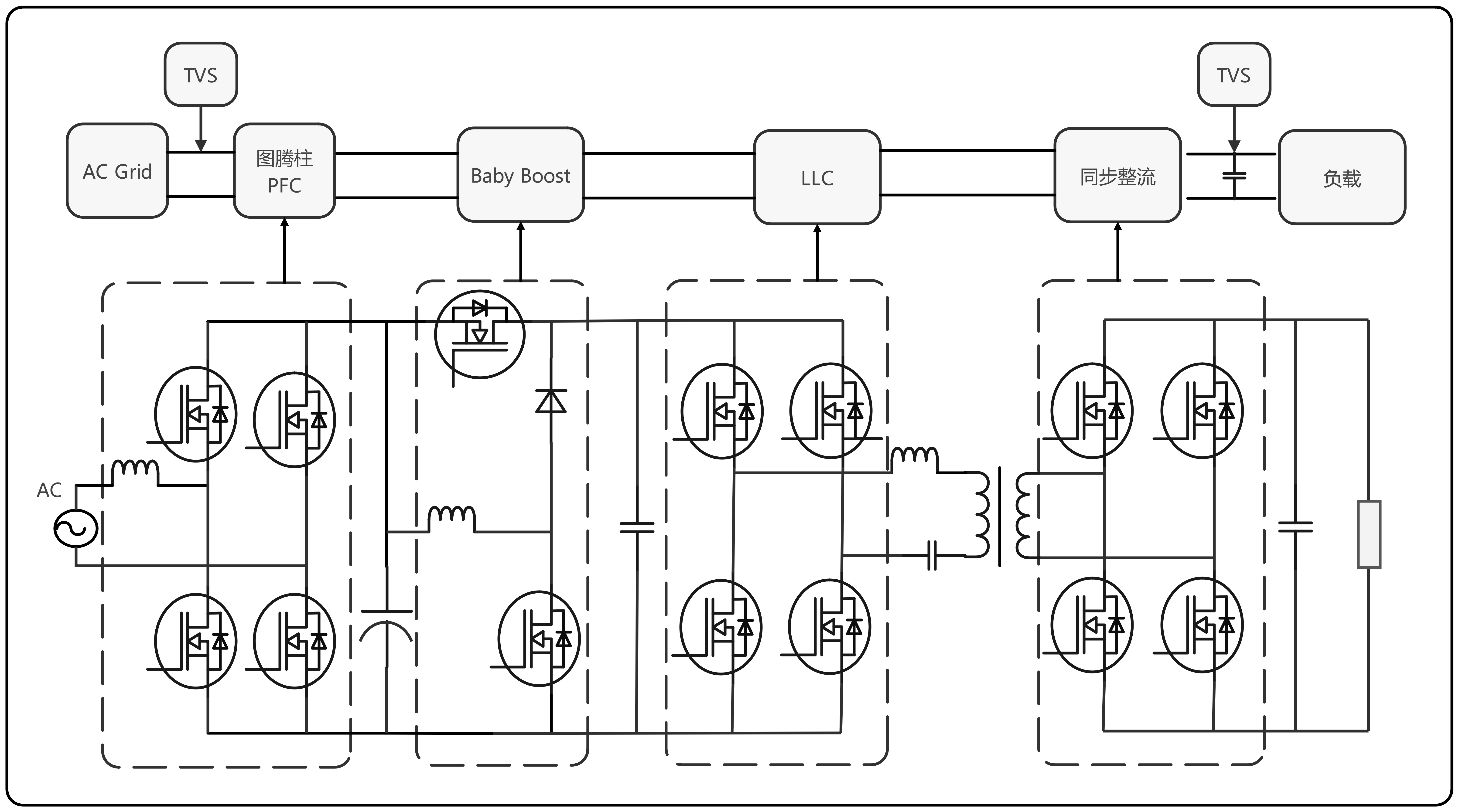
产品应用
服务器电源